产品中心

Product Center

首页 > 产品中心 > 昱暐CP夹持类>13015系列夹具基准面

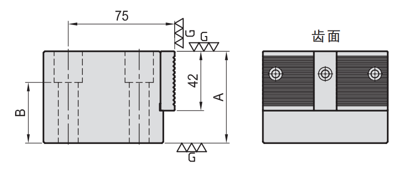
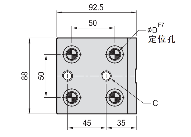
13015系列夹具基准面

型号:CP15 

材质:本体S45C,基准面YK30 

热处理:本体HRC40°,基准面HRC58° 

表面:染黑处理 

用途:可与CP11配合使用,适合夹持  黑皮面之工件。

产品详情