产品中心

Product Center

首页 > 产品中心 > 昱暐CP夹持类>13009系列鉤式夹具固定悍

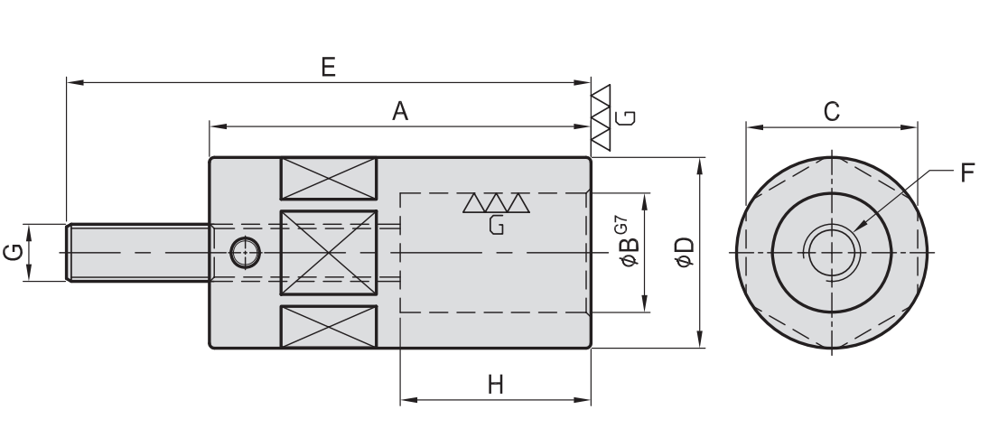
13009系列鉤式夹具固定悍

型号:CP09 

材质:S45C 

热处理:HRC 32°- 38° 

表面:染黑处理 

特长:与CP10配合组成一夹具,固定  于基板或基座上,夹持工件之  用。

产品详情