产品中心

Product Center

首页 > 产品中心 > 昱暐CP夹持类>13008系列鉤式夹具

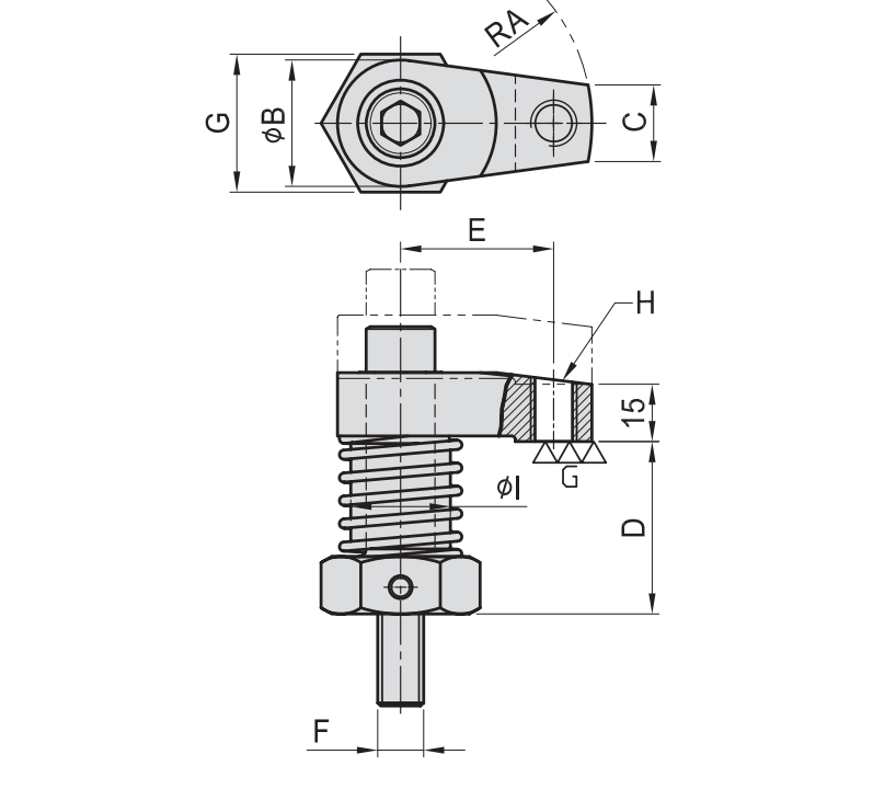
13008系列鉤式夹具

型号:CP08 

材质:SCM-4 

热处理:HRC 32°- 38° 

表面:染黑处理 

用途:固定于基板或基座上,夹持工件  之用。

特长:拆装工件方便,压板部分可旋转  ,上下工件时不受干涉。

产品详情