产品中心

Product Center

首页 > 产品中心 > 昱暐SU支持类>14015系列V型基准块

14015系列V型基准块

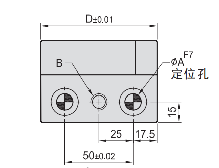
型号:SU15 

材质:S45C 

热处理:HRC 45° 

表面:染黑处理 

用途:与SU14组立成V形块,配合工件  尺寸,利用定位孔,支持范围  可作适当之调整。

产品详情