产品中心

Product Center

首页 > 产品中心 > 昱暐SU支持类>14003系列肩部支持垫圈

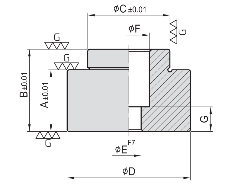
14003系列肩部支持垫圈

型号:SU03 

材质:S45C 

热处理:HRC 40° 

表面:染黑处理 

用途:可同时作为支持工件与定位用

产品详情