欢迎您进入瑞严官网!
客服热线:
021-54320725
首页
关于我们
产品中心
我的店铺
新闻中心
联系我们
首页
关于我们
产品中心
我的店铺
新闻中心
联系我们
产品中心
Product Center
首页
>
产品中心 >
昱暐PT辅助零件类
>15040系列T型螺桿
<
>
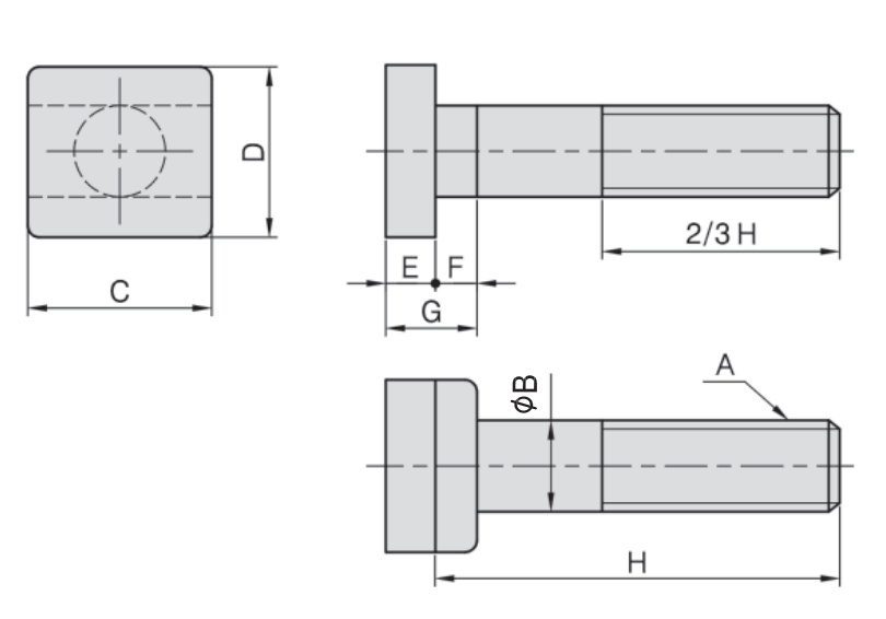
15040系列T型螺桿
型号:PT40
材质:S45C锻造钢
硬度:HRC 32°- 38°
返回列表
联系客服
产品详情
相关产品
50001系列齿面卡爪
40042系列双向式油压虎钳
42002
42001