Product Center
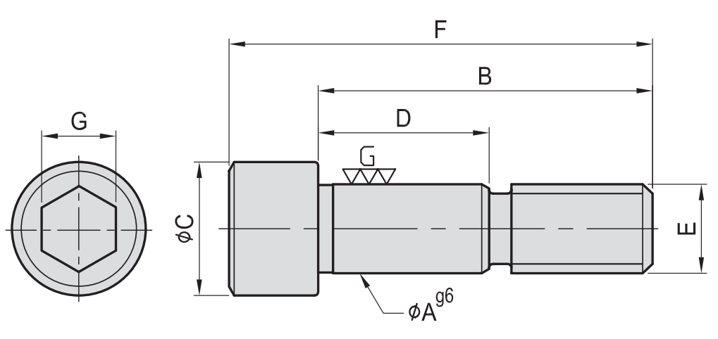
型号:PT31
材质:SCM435
热处理:HRC 32°- 38°
表面:染黑处理
用途:可同时作固定治具与定位之用
50001系列齿面卡爪
40042系列双向式油压虎钳
42002
42001