产品中心

Product Center

首页 > 产品中心 > 昱暐PT辅助零件类>15029系列动向支持座

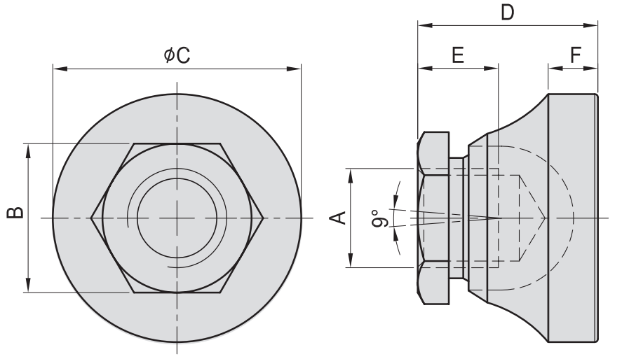
15029系列动向支持座

型号:PT29 

材质:S45C 

热处理:HRC 32°- 38° 

表面:染黑处理 

用途:与螺栓组合,可作为支持压板之用 

特长:随压板做适当的倾斜

产品详情