Product Center
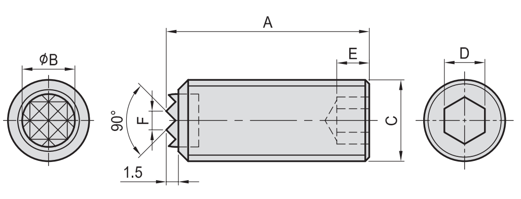
型号:PT18
材质:本体SCM435
热处理:HRC 32°- 38°
表面:染黑处理
用途:配合治具零件的组成,作支持 工件之用
特长:支持黑皮面之工件,使其不易 滑动
50001系列齿面卡爪
40042系列双向式油压虎钳
42002
42001