Product Center
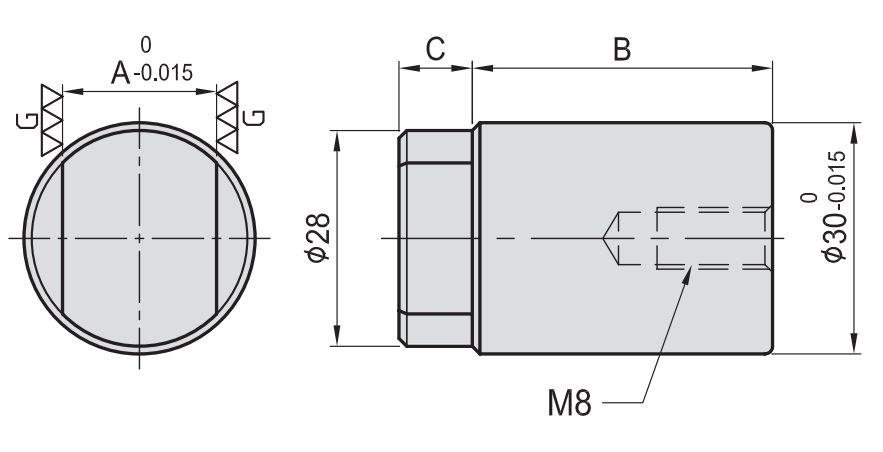
型号:PT10
材质:SCM440
热处理:HRC 45°
用途:用于基板与MC工作T形沟作定 位用
50001系列齿面卡爪
40042系列双向式油压虎钳
42002
42001