Product Center
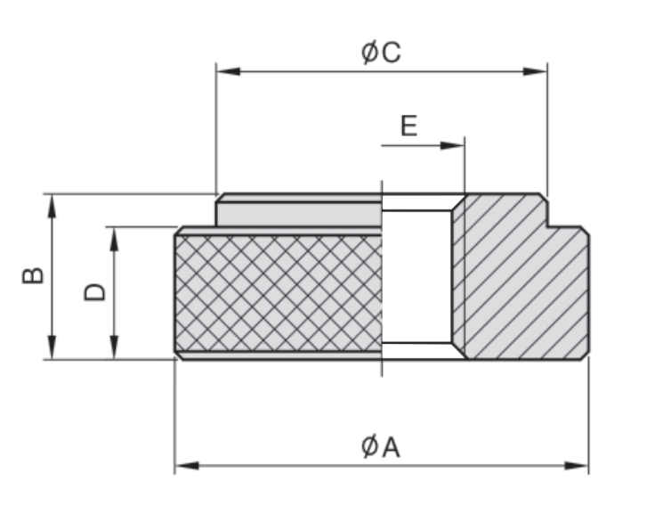
型号:PT03
材质:S45C
热处理:HRC 30°- 35°
表面:染黑处理
用途:可用于固定螺栓,使其不易松动
50001系列齿面卡爪
40042系列双向式油压虎钳
42002
42001