产品中心

Product Center

首页 > 产品中心 > 其他类>18003系列方型超薄型夹盘

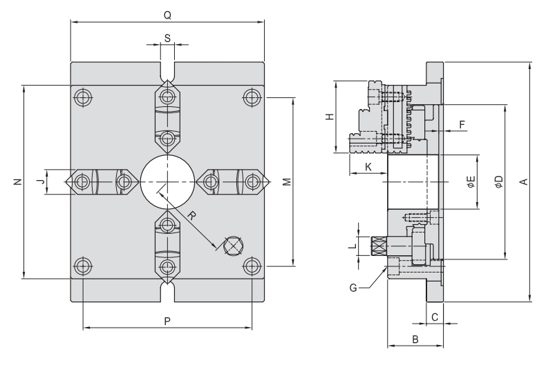
18003系列方型超薄型夹盘

型号:MCA MC均为定寸

研磨方式:任何相同规格之方型夹盘W,X,Y,Z 

各点之高度公差为0.05mm以内。 

MC规格均可替换生爪,作不规则形状之加工,

以替代中心 机大量治具,更经济、方便。 

硬爪重复夹持之精度公差为0.02mm以内。 

侧边平行校正后,硬爪夹持之平行公差为0.05mm以内。

产品详情