产品中心

Product Center

首页 > 产品中心 > 米堤百>30009系列精巧型侧向夹持件

30009系列精巧型侧向夹持件

精巧型侧向夹持件是革命性创新产品,

具有垂直和水平 的夹持力。

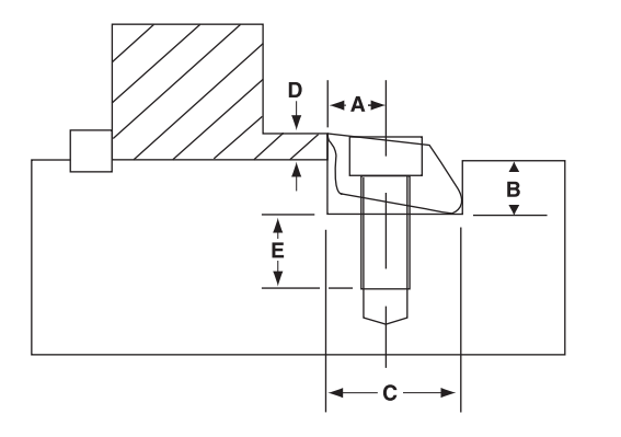
考虑到此夹持件的尺寸,使用标准沉头螺丝 和0型环。

精巧型侧向夹持件有5种规格和三种形式, 

工具钢锐面适用重切削,钝面及黄铜侧是防止夹损工件。 

型式一:用工具钢且经由热处理制成,夹持面是锐面形  状,用于粗胚工件夹持。 

型式二:用工具钢且经由热处理制成,夹持面是平面形  状,用于一般工件夹持。 

型式三:用铜制成,夹持面是平面形状,用于一般软材  工件夹持,较不易刮伤工件。

产品详情