欢迎您进入瑞严官网!
客服热线:
021-54320725
首页
关于我们
产品中心
我的店铺
新闻中心
联系我们
首页
关于我们
产品中心
我的店铺
新闻中心
联系我们
产品中心
Product Center
首页
>
产品中心 >
米堤百
>30008系列长条形软爪式楔型块夹持件
<
>
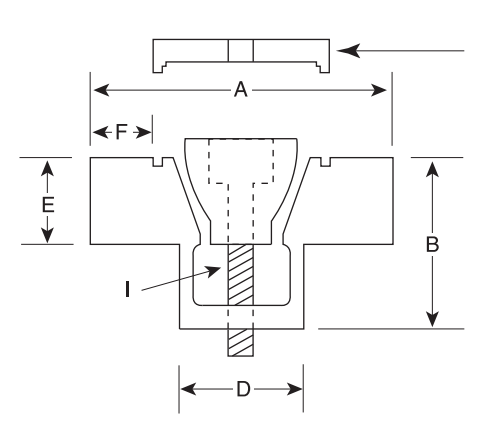
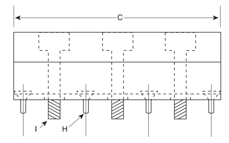
30008系列长条形软爪式楔型块夹持件
此物件的长度可达190mm,
所以夹持可组装成任何长度以符 合您的需求。
返回列表
联系客服
产品详情
相关产品
50001系列齿面卡爪
40042系列双向式油压虎钳
42002
42001