产品中心

Product Center

首页 > 产品中心 > 虎钳类>40020系列高速机专用虎钳

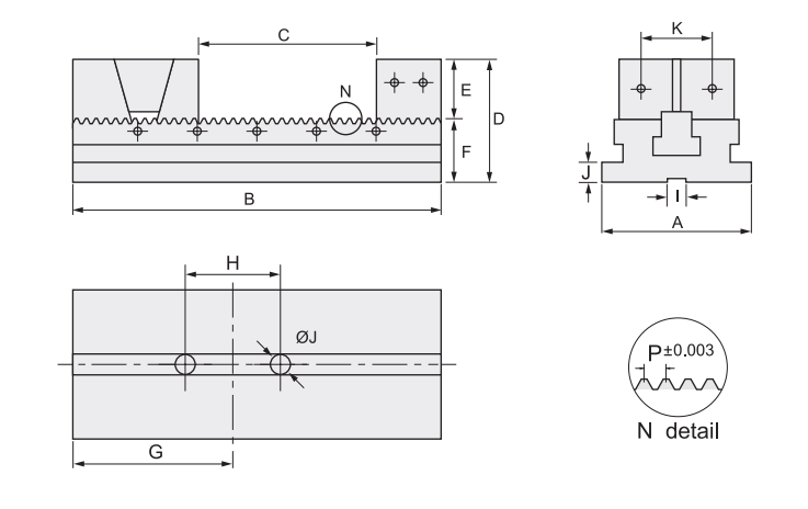
40020系列高速机专用虎钳

型号:S-100 

本台材质:S50C 

热处理:HRC52° 

虎钳爪材质:高级工具钢 

热处理:HRC56° 精巧尺寸设计,超大夹持空间,开口达150mm 

虎口爪材质为高级工具钢,经过HRC56°热处理后精密研磨, 

确保虎钳高精度及延长耐用年限 

本台高度定寸,适用于CNC高速加工中心机及攻牙机

产品详情

1686017388705.jpg