产品中心

Product Center

首页 > 产品中心 > 分度类>41007系列简易型快速分度盘

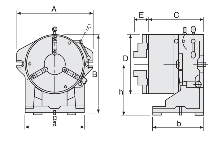
41007系列简易型快速分度盘

型号:CC-6",CC-8" 

立卧两用型 

本台为24等份,标准配件含6片快速定位板材

(2,3,4 6,8,12份)供快速分度使用 

更换快速定位板方式:打开后盖,

置入所需等份的 快速定位板,然后锁上后盖

产品详情

1686105581281.jpg