产品中心

Product Center

首页 > 产品中心 > 分度类>41005系列万能分度头

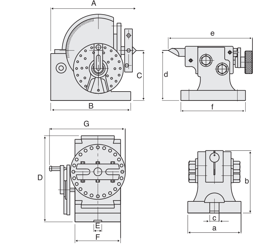
41005系列万能分度头

型号:BS-0,BS-1 

可直接分度或间接分度 

直接分度:利用主轴上的分度板进行分度。

此分度板 为24孔,可进行15度倍数的分度:2,3,4,6,8,12,24等份 

间接分度:利用蜂巢板分度。

分度等分可从2等份到 380等份,分度范围广大

产品详情

1686105264325.jpg