产品中心

Product Center

首页 > 产品中心 > 分度类>41004系列24等分快速分割器

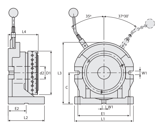
41004系列24等分快速分割器

型号:HSD-7" 

材质:高精密FCD 55石墨铸铁 

操作须知: 摇桿操作,每分割一次只需1秒 

每次分度,必须确实完成操作并将摇桿回归原点, 

才可进行下一分度动作 

操作设定: 先设定分割需求之度数 

每推动摇桿到底一次,即可进行一段分度 

将摇桿拉回原点,才可进行下一段分度动作

产品详情

1686105178393.jpg