产品中心

Product Center

首页 > 产品中心 > 零点定位夹紧系统>60005系列圆形四单元零点定位器

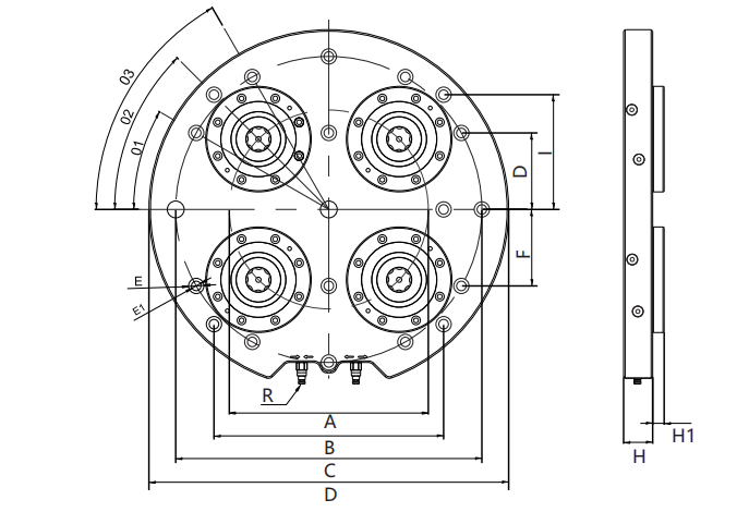
60005系列圆形四单元零点定位器

描述: 

气压/液压解锁; 

材质:模具钢(或客户的选择) 

表面及活塞硬化处理; 

重复定位精度<0.005mm;

说明: 

通过基板上的沉头孔锁紧在T型槽上,安装简单; 

至少有两个定位孔,以便准确定位。

产品详情