产品中心

Product Center

首页 > 产品中心 > 米其林-磨床夹具>71001系列小型工具万力

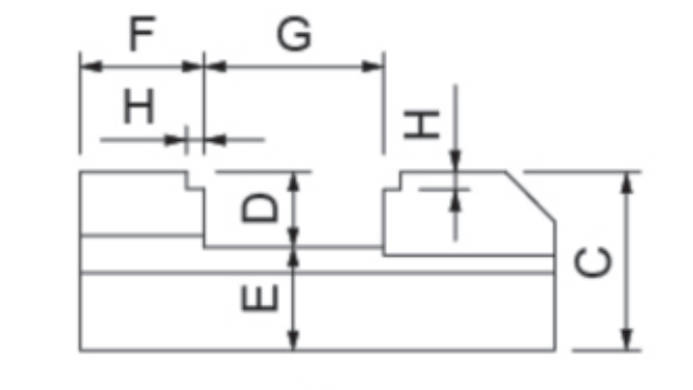
71001系列小型工具万力

型号:MCL-V10V、V10、V15V 

小型精密工具万力,虎口有点凹槽设计,

适合夹持细小的薄板之精密加工。  

平行度:0.003mm以内,垂直度:0.004mm以内。 

材质:SK2,硬度:HRC56°±2°

产品详情