产品中心

Product Center

首页 > 产品中心 > 米其林-磨床夹具>70006系列透视砂轮修整器

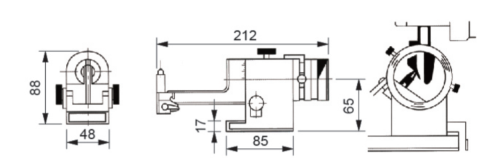
70006系列透视砂轮修整器

订货号:70006 型号:MCL-E180 

中心高度:65mm 

最大修整砂轮笵围:Φ200mm 

凸R修整最大半径:10mm 

凹R修整最大半径:24.4mm 

滑板修整行程:22.5mm 

修整角度:90°-0°-95°

产品详情