产品中心

Product Center

首页 > 产品中心 > 米其林-磨床夹具>70004系列冲子研磨机

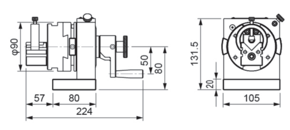
70004系列冲子研磨机

订货号:70004 型号:MCL-450 

分割24等份、分度15度±10" 

旋转中心高:80mm 

V型块夹持范围直径:Φ3-Φ30mm 

V型块活动范围:上24mm/下16mm 

V型块左右活动范围:各12.4mm 

凸R修整范围:48mm 

凹R修整范围:100mm 

最大回旋直径:200mm 夹持圆棒偏摆度2μ内 

夹持圆棒偏摆度量(50mm长)6μ内 

重量:11.6kg

产品详情