产品中心

Product Center

首页 > 产品中心 > 机械手夹具>80011系列机械手夹具

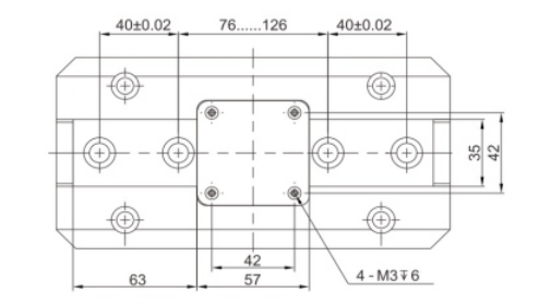
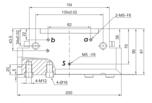
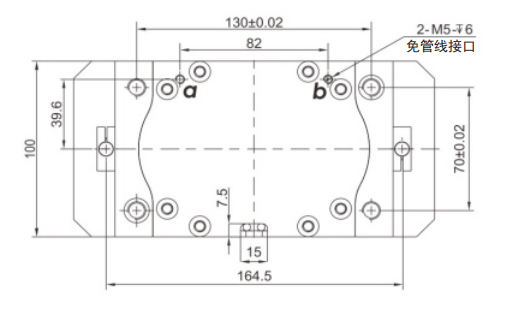
80011系列机械手夹具

型号:RH-EZ-200A 

直接连接供气口,压缩空气直接供给夹爪使用,

无需使用管可将压力介质馈入安装板上的内孔。

产品详情