产品中心

Product Center

首页 > 产品中心 > 昱暐基座、基板>10019-2系列辅助板

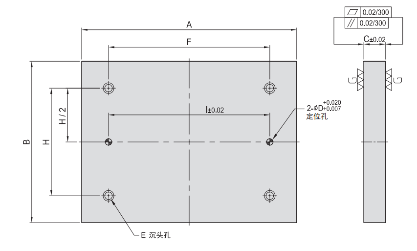
10019-2系列辅助板

型号:BP19 

材质:S45C 

热处理:烧钝 

用途:适用于各基板或基座 

特长:可依实际需要,自行钻孔加工制作专用治具。

产品详情


]RT@3EUR3C(4MAF7[EO18$8.png