产品中心

Product Center

首页 > 产品中心 > 昱暐基座、基板>10009-2系列MC四面基座

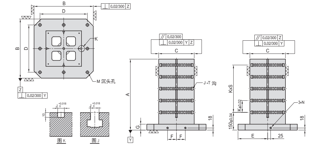
10009-2系列MC四面基座

型号:BP09 

材质:FC30 

热处理:烧钝 

用途:适用于卧式MC 

特长:以T型沟定位方式,利用标准化治具零件,可快速组立  完成一套符合需求之治具。

产品详情