产品中心

Product Center

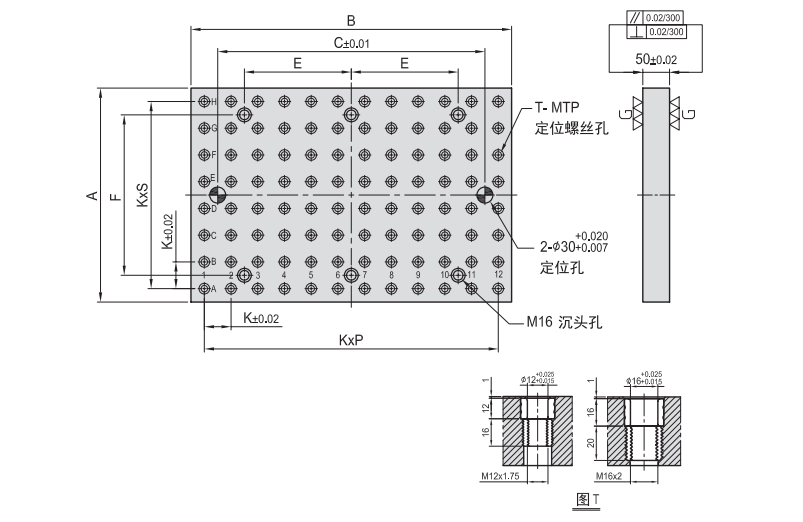
10002系列MC基板

型号:BP02 

材质:FC30 

热处理:烧钝 

用途:适用于立式MC 

特长:以孔定位方式,利用标准化治具零件,可快速组立完  成一套符合需求之治具。

产品详情

{}E@S2E)DGC0CP5BVRX8WCK.png